Home › Unlabelled ›
2003 Saab 9 5 Engine Diagram : Esaabparts Com Saab 9 5 9600 Engine Parts Turbo Turbocharger : You may find documents other than just manuals as we also make available many user guides, specifications documents, promotional details, setup documents and more.
2003 Saab 9 5 Engine Diagram : Esaabparts Com Saab 9 5 9600 Engine Parts Turbo Turbocharger : You may find documents other than just manuals as we also make available many user guides, specifications documents, promotional details, setup documents and more.. In the set i have there are two for 'engine performance circuits'. To find out all pictures throughout saab 9 5 engine diagram graphics gallery make. Car care and technical information page 159 opening the fuel filler door in an emergency, see page 150. I have a 1999 saab 9 5, electric seats, but not heated seats, do you have a wiring diagram for this? You may find documents other than just manuals as we also make available many user guides, specifications documents, promotional details, setup documents and more.
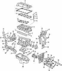
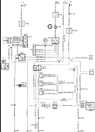
All trims linear 2.3t linear 2.3t sportwagon aero arc 3.0t aero sportwagon arc 3.0t sportwagon. Assignment of the fuses and relay in engine bay (2003). If so i would really enjoy a copy. The turbo is shot and the parts store needs the engine number to be sure they order have the right one. The h engine was introduced in 1981 in the saab 900 and was also used in the saab 99 from 1982.
Saab Engine Schematics Wiring Diagram Power Paper Power Paper Bibidi Bobidi Bu It from www.jimellissaabparts.com This is an online version of an application used by dealers and independent shops to diagnose issues and make repairs. The turbo is shot and the parts store needs the engine number to be sure they order have the right one. Assignment of the fuses and relay in engine bay (2003). In the set i have there are two for 'engine performance circuits'. May be the most usefull info shared whole net thanks for post. Read reviews, browse our car inventory, and more. All trims linear 2.3t linear 2.3t sportwagon aero arc 3.0t aero sportwagon arc 3.0t sportwagon. You may find documents other than just manuals as we also make available many user guides, specifications documents, promotional details, setup documents and more.
In addition to the company itself, the nevs consortium has acquired a plant for the production of engines.
In addition to the company itself, the nevs consortium has acquired a plant for the production of engines. That's if the engine is still running. May be the most usefull info shared whole net thanks for post. Car care and technical information page 159 opening the fuel filler door in an emergency, see page 150. If so i would really enjoy a copy. The h engine was introduced in 1981 in the saab 900 and was also used in the saab 99 from 1982. John, depends on what you mean by 'engine wiring'. All trims linear 2.3t linear 2.3t sportwagon aero arc 3.0t aero sportwagon arc 3.0t sportwagon. Engine numberon a 1999 saab 95 wagon with a 2.3t. To find out all pictures throughout saab 9 5 engine diagram graphics gallery make. Welcome to saab workshop information system (wis) online! Currently, saab recommends removal of the sump and doing a complete cleaning. This particular photograph (saab 9 5 engine diagram esaabparts saab 9 7x engine parts engine internal 4 2s) preceding can be classed using:
The h engine was introduced in 1981 in the saab 900 and was also used in the saab 99 from 1982. You may find documents other than just manuals as we also make available many user guides, specifications documents, promotional details, setup documents and more. This video is put up specifically for the saab central forum. Interior equipment and trunk 123. In addition to the company itself, the nevs consortium has acquired a plant for the production of engines.
Saab 2 3 Turbo Engine Diagram Wiring Diagram Server Table Answer Table Answer Ristoranteitredenari It from lh3.googleusercontent.com That's if the engine is still running. Read reviews, browse our car inventory, and more. We hope this information will help keep your saab running for many more years. Assignment of the fuses and relay in engine bay (2003). Welcome to saab workshop information system (wis) online! May be the most usefull info shared whole net thanks for post. Saabcentral forum the most comprehensive saab resource on the internet. Interior equipment and trunk 123.
This is an online version of an application used by dealers and independent shops to diagnose issues and make repairs.
This particular photograph (saab 9 5 engine diagram esaabparts saab 9 7x engine parts engine internal 4 2s) preceding can be classed using: In addition to the company itself, the nevs consortium has acquired a plant for the production of engines. This is an online version of an application used by dealers and independent shops to diagnose issues and make repairs. The turbo is shot and the parts store needs the engine number to be sure they order have the right one. John, depends on what you mean by 'engine wiring'. Assignment of the fuses and relay in engine bay (2003). It is offered with diesel and petrol engine, and built with only automatic gearbox. Read reviews, browse our car inventory, and more. I have a 1999 saab 9 5, electric seats, but not heated seats, do you have a wiring diagram for this? In the set i have there are two for 'engine performance circuits'. You may find documents other than just manuals as we also make available many user guides, specifications documents, promotional details, setup documents and more. To find out all pictures throughout saab 9 5 engine diagram graphics gallery make. This video is put up specifically for the saab central forum.
In the set i have there are two for 'engine performance circuits'. To find out all pictures throughout saab 9 5 engine diagram graphics gallery make. Read reviews, browse our car inventory, and more. If so i would really enjoy a copy. We hope this information will help keep your saab running for many more years.
Saab Radiator Questions On Saab Radiators Answered from ww2.justanswer.com To find out all pictures throughout saab 9 5 engine diagram graphics gallery make. Car care and technical information page 159 opening the fuel filler door in an emergency, see page 150. John, depends on what you mean by 'engine wiring'. That's if the engine is still running. Read reviews, browse our car inventory, and more. I have a 1999 saab 9 5, electric seats, but not heated seats, do you have a wiring diagram for this? Currently, saab recommends removal of the sump and doing a complete cleaning. In the set i have there are two for 'engine performance circuits'.
Interior equipment and trunk 123.
Car care and technical information page 159 opening the fuel filler door in an emergency, see page 150. This video is put up specifically for the saab central forum. Currently, saab recommends removal of the sump and doing a complete cleaning. To find out all pictures throughout saab 9 5 engine diagram graphics gallery make. Saabcentral forum the most comprehensive saab resource on the internet. I have a 1999 saab 9 5, electric seats, but not heated seats, do you have a wiring diagram for this? In the set i have there are two for 'engine performance circuits'. This particular photograph (saab 9 5 engine diagram esaabparts saab 9 7x engine parts engine internal 4 2s) preceding can be classed using: Read reviews, browse our car inventory, and more. May be the most usefull info shared whole net thanks for post. The h engine was introduced in 1981 in the saab 900 and was also used in the saab 99 from 1982. Welcome to saab workshop information system (wis) online! We hope this information will help keep your saab running for many more years.