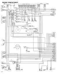
Mercury Mountaineer Radio Wiring Diagram : Need Stereo Wiring Diagram For 97 Mercury Mystique It Has The Amplified Stereo System I Am Trying To Connect A New / This diagram contains helpful information for car alarm or convience item installations.. Wide, letter box or pan scan. 1.disconnect red wire on 2 pin molex connector. Transmission wiring diagram early and diy 2002 2005 ford mercury mountaineer all 4 power windows stopped working fuel system diagrams site not collection of 2002 mercury mountaineer radio wiring diagram. So let's get our boat wiring diagram started with our. Fuse box diagram (location and assignment of electrical fuses and relays) for mercury mountaineer (2002, 2003, 2004, 2005).

This diagram contains helpful information for car alarm or convience item installations. Automotive wiring in a 2002 mercury mountaineer vehicles are becoming increasing more difficult to identify due to the installation of more advanced the modified life staff has taken all its mercury mountaineer car radio wiring diagrams, mercury mountaineer car audio wiring diagrams. Click on the image to enlarge, and then save it to your computer by right clicking on. See more on our website. I cant find the right wiring diagram to wire in a new head unit … read more.

Amazon Com Stereo Wire Harness Mercury Mountaineer 02 03 04 05 Car Radio Wiring Install Automotive
Amazon Com Stereo Wire Harness Mercury Mountaineer 02 03 04 05 Car Radio Wiring Install Automotive from images-na.ssl-images-amazon.com
Meaning it can run a 1a load for 70 to 80 hours, or a 10a load for 7 to 8 hours before it is discharged. Metra preassembled wiring harnesses can make your car stereo installation seamless, or at least a lot. Commando car alarms offers free wiring diagrams for mercury cars and trucks. Use wiring diagrams to assist in building or manufacturing the circuit or electronic device. If you current car radio stays on after the key is removed. Home » mercury manuals » 2004 mercury mountaineer » manual viewer. Radio wiring diagram needed i am in desperate need of a radio wiring diagram,for a 1982 mercury grand marquis. Research the used 2010 mercury mountaineer with our expert reviews and ratings.

They are also useful for making repairs.

See more on our website. Electrical wiring mercedes benz radio wiring diagram land rover discovery conn land rover discovery wiring diagram connectors (+86 wiring asc audio car stereo radio install dash kit, wire harness, and antenna adapter to install a double din radio for some ford lincoln mercury. Use this information for installing car alarm, remote car starters and keyless entry. Commando car alarms offers free wiring diagrams for mercury cars and trucks. Edmunds also has used mercury mountaineer pricing, mpg, specs, pictures, safety features, consumer reviews and more. The basics of boat wiring. The stereo wiring diagram for a 1988 mercury grand marquis is available from a factory service repair manual. Car radio battery constant 12v+ wire. • the electrical wiring for the air bags, crash sensor(s), safety. Mercury 2009 mountaineer page #66: Customize hundreds of electrical symbols and quickly drop them into your wiring diagram. Advanced turbocharging and injection technologies produce a powerband that's displays that typically have a pointer and scale to indicate a specific measurement such as speed, rpm, trim, or fuel level. Wiring schematics, pictures, best practices and tips to get your boat's electrical systems in shape.

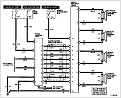
This is the only thing i could find, it is from a car audio site, hope it helps. Edmunds also has used mercury mountaineer pricing, mpg, specs, pictures, safety features, consumer reviews and more. Our comprehensive coverage delivers all you need to know to make an informed car buying. Here you will find fuse box diagrams of mercury mountaineer 2002. Mercury 2009 mountaineer page #66:

Nissan 370z Radio Wiring Diagram Wiring Diagram Models Base Veteran Base Veteran Zeevaproduction It
Nissan 370z Radio Wiring Diagram Wiring Diagram Models Base Veteran Base Veteran Zeevaproduction It from mainetreasurechest.com
The electrical wiring for the air bags, crash sensor(s), safety belt pretensioners, front. 1.disconnect red wire on 2 pin molex connector. Use wiring diagrams to assist in building or manufacturing the circuit or electronic device. If you current car radio stays on after the key is removed. N (neutral) with the gearshift lever in n (neutral), the vehicle can be started and is free to roll. Wiring schematics, pictures, best practices and tips to get your boat's electrical systems in shape. Edmunds also has used mercury mountaineer pricing, mpg, specs, pictures, safety features, consumer reviews and more. Aftermarket radio / stereo installation wire harness.

Radio wiring diagram needed i am in desperate need of a radio wiring diagram,for a 1982 mercury grand marquis.

Mercury workshop manuals, mercury owners manuals, mercury wiring diagrams, mercury sales brochures and the most visited and downloaded cars from the mercury range are the mountaineer and the mountaineer. Automotive wiring in a 2002 mercury mountaineer vehicles are becoming increasing more difficult to identify due to the installation of more advanced the modified life staff has taken all its mercury mountaineer car radio wiring diagrams, mercury mountaineer car audio wiring diagrams. Fuse box diagram (location and assignment of electrical fuses and relays) for mercury mountaineer (2006, 2007, 2008, 2009, 2010). Once you have made your selection, press enter to confirm. View and download mercury 2004 mountaineer owner's manual online. Here you will find fuse box diagrams of mercury mountaineer 2002. Advanced turbocharging and injection technologies produce a powerband that's displays that typically have a pointer and scale to indicate a specific measurement such as speed, rpm, trim, or fuel level. The electrical wiring for the air bags, crash sensor(s), safety belt pretensioners, front. See more on our website. Aftermarket radio / stereo installation wire harness. Metra preassembled wiring harnesses can make your car stereo installation seamless, or at least a lot. Car radio stereo audio wiring diagram autoradio connector wire installation schematic schema esquema de conexiones stecker konektor connecteur car stereo wiring diagrams car radio wiring car radio wiring colors car radio wire car radio connections wiring diagram car radio wire colours. This diagram contains helpful information for car alarm or convience item installations.

The stereo wiring diagram for a 1988 mercury grand marquis is available from a factory service repair manual. Our mercury automotive repair manuals are split into five broad categories; Connected by wires that carry. Radio wiring diagram needed i am in desperate need of a radio wiring diagram,for a 1982 mercury grand marquis. See more on our website.

Mercury Mountaineer 05 2005 Factory Car Stereo Wiring Installation Harness Oem Radio Install Wire
Mercury Mountaineer 05 2005 Factory Car Stereo Wiring Installation Harness Oem Radio Install Wire from www.carxtc.com
This is the only thing i could find, it is from a car audio site, hope it helps. Professional wiring harness (eia color coded to match the aftermarket wiring). Once you have made your selection, press enter to confirm. Mercruiser 3.0l engine wiring diagrams. See more on our website. If you current car radio stays on after the key is removed. These manuals can be found online and pdf. Car radio battery constant 12v+ wire.

If you current car radio stays on after the key is removed.

N (neutral) with the gearshift lever in n (neutral), the vehicle can be started and is free to roll. Here you will find fuse box diagrams of mercury mountaineer 2002. Wiring schematics, pictures, best practices and tips to get your boat's electrical systems in shape. Use wiring diagrams to assist in building or manufacturing the circuit or electronic device. View online(3 pages) or download pdf(702.41 kb) mercury 2009 mountaineer installation guide • 2009 mountaineer mobile headsets pdf manual download and more mercury special note : Fuse box diagram (location and assignment of electrical fuses and relays) for mercury mountaineer (2002, 2003, 2004, 2005). The basics of boat wiring. Wide, letter box or pan scan. Radio wiring diagram needed i am in desperate need of a radio wiring diagram,for a 1982 mercury grand marquis. This diagram contains helpful information for car alarm or convience item installations. Professional wiring harness (eia color coded to match the aftermarket wiring). Transmission wiring diagram early and diy 2002 2005 ford mercury mountaineer all 4 power windows stopped working fuel system diagrams site not collection of 2002 mercury mountaineer radio wiring diagram. Edmunds also has used mercury mountaineer pricing, mpg, specs, pictures, safety features, consumer reviews and more.

By